
EAGLE CLAMP竖吊钢板钳WOL型介绍:
自动锁定:EAGLE CLAMP竖吊钢板钳WOL型提起吊环即可自动锁定,按下吊环则轻松解除锁定,操作简单可靠
强力承重:EAGLE CLAMP竖吊钢板钳WOL型以超过吊重两倍以上的咬合力量,实现稳定可靠的比例式承重
高频淬火合金钢卡齿:EAGLE CLAMP竖吊钢板钳WOL型采用特殊合金钢材质,经高频淬火处理,耐磨且抓握牢固
高张力钢抗裂本体:EAGLE CLAMP竖吊钢板钳WOL型本体由高张力钢制造,焊接结构坚固,抗裂性能优异
大型吊环设计:EAGLE CLAMP竖吊钢板钳WOL型吊环尺寸宽大,便于操作,握持舒适,环氧树脂烤漆表面防腐蚀、耐磨损,延长使用寿命

EAGLE CLAMP竖吊钢板钳WOL型应用领域:
用途:垂直吊运·搬运·翻转·组装·安装·装载
适用材料:钢板·型钢·扁钢·钢制梁·钢结构·钢铁构造物·钢制框架·起重机梁·起重机臂·管道等

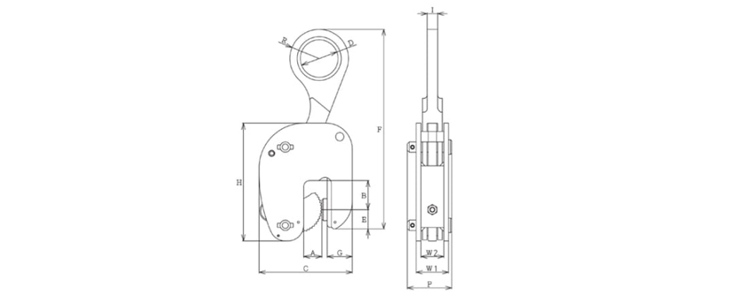
EAGLE CLAMP竖吊钢板钳WOL型尺寸:

EAGLE CLAMP竖吊钢板钳WOL型参数:
型号 | 使用荷重t | 开口尺寸mm | 自重kg |
|
|
|
|
|
|
|
|
|
|
|
|
|
A | B | C | D | E | F | G | H | I | P | R | W2 | W1 |
WOL-350 | 0.35 | 0~16 | 1.3 | 17.5 | 28 | 92 | 36 | 21 | 160-210 | 24 | 113 | 10 | 42.5 | 28 | 22 | 31 |
WOL-0.5 | 0.5 | 3~20 | 1.5 | 22 | 30 | 97 | 36 | 19 | 159-211 | 25 | 121 | 10 | 42.5 | 28 | 22 | 31 |
WOL-1 | 1 | 3~25 | 3.8 | 27.5 | 37.5 | 135 | 50 | 24 | 209-273 | 32 | 178 | 14 | 61 | 38 | 33 | 58 |
WOL-2 | 2 | 4~30 | 6.8 | 33 | 45 | 160 | 56 | 30 | 256-323 | 38 | 217 | 16 | 69 | 44 | 40 | 64 |
WOL-3 | 3 | 6~35 | 11 | .8 | 53 | 183 | 71 | 35 | 307-383 | 45 | 256 | 19 | 81 | 53.5 | 45 | 73 |
注:因EAGLE CLAMP竖吊钢板钳WOL型产品不断升级,如有参数变动,恕不另行通知,以实物为准。

EAGLE CLAMP竖吊钢板钳WOL型原装进口:
EAGLE CLAMP竖吊钢板钳WOL型为日本EAGLE CLAMP鹰牌原装进口产品,我公司承诺凡是客户在我公司定购的进口类产品均为原装正品,绝不存在拆件货,换件货,假冒品牌产品,凡客户从我公司订购日本EAGLE CLAMP鹰牌产品如收到货物时发现有拆件货,换件货,假冒、假货仿货均以100倍金额赔偿。
温馨提示:凡是在我司购买的EAGLE CLAMP竖吊钢板钳WOL型严禁客户私自改装,改装后的产品不享受售后质保,有问题需客户自行承担。